GRAS 47BG-FV 1/4" CCP 微型嵌入式传声器组,高压
Freq range: 3.15 Hz to 60 kHz
Dyn range: 60 dB(A) to 184 dB
Sensitivity: 0.23 mV/Pa
GRAS 47BG-FV 是前端通风的 ¼″ CCP 压力传声器组,用于使用嵌入式安装和安装空间有限或受限制的地方测量极高的声压级。
Technology
GRAS 47BG-FV
47BG-FV is a specialized version of the GRAS 46BG-FV ¼″ CCP Pressure Standard Microphone Set, High Pressure. The 47BG-FV is optimized for acoustic measurements of a sound source at a boundary or wall; in which case the microphone forms part of the wall and measures the sound pressure on the wall itself.
The 47GB-FV has been specifically designed for use in scenarios where flush mounting is required. GRAS 47BGFV can be used in any flush-mounting setup, but it has several design elements that make it the perfect microphone for mounting where the distance between microphones must be very small or the cavity behind the measurement wall provides very little space for microphones and cabling.
Design
The unique design of the microphone set and mounting system is a necessarily robust set based around ensuring accurate measurements in very space-limited flush-mounting locations in extremely high-pressure areas.
Space-saving footprint—the 47BG-FV is not round like other flush-mounted microphones. The sides of the microphone have been flattened in order to provide the closest placement possible between microphones.
Adjustable cable orientation—in order to keep the microphone-mounting plate as flat as possible, the cable leaves the microphone set on the horizontal plane like other flush-mounted microphones; however, to ensure that the cables are never in the way when trying to place the microphone or connect the cable, the 47BG-FV cabling can be rotated 90° without needing to adjust the mounting plate.
Microphone
The microphone cartridge is the high-quality IEC 61094 WS3P standardized GRAS 40BG-FV ¼″ Prepolarized Pressure Microphone, designed for long-term reliability in multiple environments.
Preamplifier
The preamplifier, 26CM ¼” CCP Miniature Flush-mount Preamplifier, is integrated into the set and specifically designed with a space-saving footprint, includes TEDS, and is based on our well-known circuit board substrates. In the industry, these are famous for their low self-noise, wide frequency, and excellent slew rate performance.
Mounting plate
The mounting plate is designed to match the microphone and is available in a standard thickness, or it can be ordered in a customized thickness to match the thickness of the structure wall. Alternatively, the specifications for 3D printing the mount in-house can be ordered.
Reduced footprint—the mounting plate footprint matches the microphone such that microphones can be placed very close together.
Vibration resistance—the plate and microphone are also highly resistant to vibration. The plate can be glued into place and the microphone is then snugly fixed to the mounting plate with bolts. This produces a solid, vibration-resistant connection to the mounting structure.
In situ calibration
A unique feature of 47BG-FV is that it can be calibrated in place using GRAS RA4800 Adapter for Sensitivity Verification of Flush/Surface Microphones.
Compatibility
To perform as specified the GRAS 47BG-FV microphone set requires a constant current input module that can deliver 4 mA and 24 V unloaded CCP voltage supply. If the constant current supply is lower, the capability of driving long cables is reduced, and consequently, the upper frequency is reduced. If the voltage supply is lower it will influence the upper dynamic range.
The microphone set is terminated with a 10/32 Microdot female connector. Ready-to-use coax cable assemblies of various types and lengths are available in standard as well as customized lengths.
TEDS
The 47BG-FV is IEEE 1451.4 TEDS v. 1.0 compliant. If your measurement platform supports Transducer Electronic Data Sheets you will be able to read and write data like properties and calibration data.
Calibration
When leaving the factory, all GRAS microphones have been calibrated in a controlled laboratory environment using traceable calibration equipment. Depending on the use, measurement environment, and internal quality control programs we recommend that the microphone is recalibrated at least once a year.
We offer two kinds of calibration as an optional after-sales service: GRAS Traceable Calibration and GRAS Accredited Calibration.
GRAS Traceable Calibration is a traceable calibration performed by trained personnel under controlled conditions according to established procedures and standards. This is identical to the rigorous calibration that all GRAS microphones are subjected to as an integral part of our quality assurance.
GRAS Accredited Calibration is performed by the GRAS Accredited Calibration Laboratory that has been accredited in accordance with ISO 17025 by DANAK, the Danish Accreditation Fund.
If you want a new microphone set delivered with an accredited calibration instead of the default factory calibration, specify this when ordering.
Learn more at gras/calib.
Quality and warranty
All GRAS microphones are made of high-quality materials that will ensure life-long stability and robustness. The microphones are all assembled in verified clean-room environments by skilled and dedicated operators with many years of expertise in this field.
The microphone diaphragm, body, and improved protection grid are made of high-grade stainless steel, which makes the microphone resistant to physical damage, as well as corrosion caused by aggressive air or gasses.
This, combined with the reinforced gold-plated microphone terminal which guarantees a highly reliable connection, enables GRAS to offer a five-year warranty against defective materials and workmanship.
Service
If you accidentally damage the diaphragm on a GRAS microphone, we can—in most cases—replace it at a very reasonable cost and with a short turnaround time. This not only protects your investment but also pleases your quality assurance department because you don’t have to worry about new serial numbers, etc.
Specifications

Typical pressure response

⅓-octave noise spectra, linear

⅓-octave noise spectra, A-weighted
GRAS Sound & Vibration reserves the right to change specifications and accessories without notice.
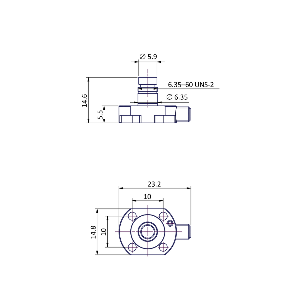
Dimensions
Weight (g / oz)
8 / 0.282
Dimensions (mm):
Ordering info
Optional items
| GRAS AA0070 | 3 m Microdot - BNC Cable |
| GRAS AA0071 | 5 m Microdot - BNC Cable |
| GRAS AA0072 | 10 m Microdot - BNC Cable |
| GRAS RA0536 | Mounting kit for 47BG-FV |
| GRAS RA4800 | Adapter for Sensitivity Verification of Flush/Surface Microphones |
| GRAS 42AG | Multifunction Sound Calibrator, Class 1 |
| GRAS 42AP | Intelligent Pistonphone, Class 0 |
GRAS Sound & Vibration reserves the right to change specifications and accessories without notice.



